- НаличиеВ наличии
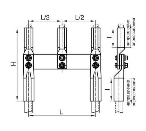
Переходные зажимы типа ППР предназначены для надежного электрического соединения и механического перехода с двух проводов воздушной линии электропередачи (ЛЭП) на три. Они обеспечивают стабильный и безопасный контакт, предотвращая перегревы и потери энергии, что особенно важно для бесперебойного снабжения электричеством промышленных объектов и инфраструктуры.
Использование зажимов ППР позволяет существенно упростить и ускорить монтажные работы на трассах ЛЭП, сокращая трудозатраты и повышая надежность всей системы. Это делает их незаменимым элементом для строительных и энергетических компаний, занимающихся модернизацией и прокладкой линий электропередач.
Изделия отличаются высоким качеством изготовления, устойчивостью к коррозии и длительным сроком службы в различных климатических условиях. Они рассчитаны на работу с проводами разного диаметра, что подтверждается широким модельным рядом.
Мы предлагаем различные марки зажимов (ППР-1, ППР-2, ППР-3, ППР-4, ППР-5, ППР-6, ППР-7, ППР-8, ППР-9) для проводов с минимальным диаметром от 16,8 до 36,2 мм и максимальным – от 17,5 до 37,7 мм. Масса изделий варьируется от 3,58 до 14,9 кг, что позволяет подобрать оптимальное решение для конкретных технических условий вашего проекта.
Нет отзывов об этом товаре.
Пока нет вопросов об этом товаре. Станьте первым!
